纽扣式称重传感器

Button-type weighing sensor

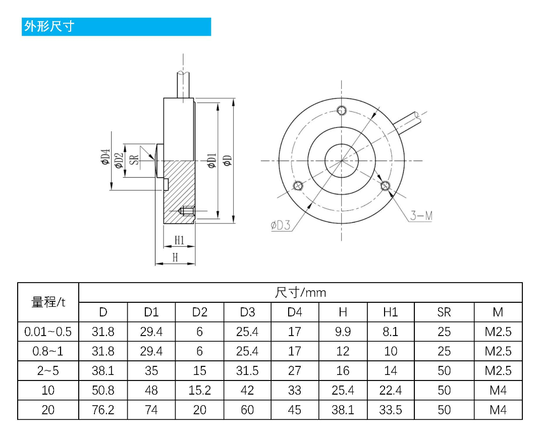
1 产品介绍

*祺汀泰有权对技术参数进行修改,并对具体型号尺寸保留最终解释权,如需定制型号尺寸建议提前咨询。

*非标型号,请咨询祺汀泰销售。

*祺汀泰有权对技术参数进行修改,并对具体型号尺寸保留最终解释权,如需定制型号尺寸建议提前咨询。

*非标型号,请咨询祺汀泰销售。

返回产品阵容页
  • [RT-LC-03]RT-LC-03-50KN
    113.69 KB
  • [RT-LC-03]RT-LC-03-10t
    127.19 KB
  • [RT-LC-03]RT-LC-03-10kN(2)
    116.14 KB
  • [RT-LC-03]RT-LC-03-10kN
    116.13 KB
  • [RT-LC-03]RT-LC-03-5kN
    120.85 KB
核心技术
位移传感器
技术支持
工厂分布
监测控制仪表
公司愿景
其他选择
公司资质
联系我们
应用场景
洞察新闻
伺服压机
产品介绍
关于我们
公司介绍
压力传感器
扭矩传感器
智能设备及软件系统
关注我们
联系我们
在线客服
售前售后